Расчёт гидросистемы одноковшового гидравлического экскаватора
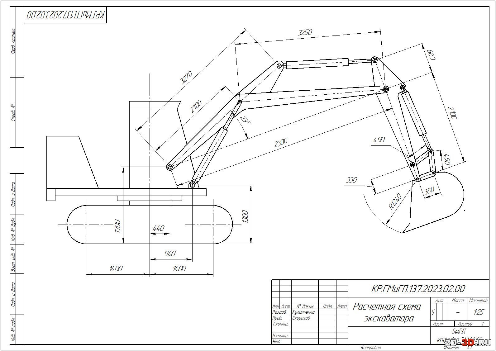
Готовая курсовая работа по дисциплине «Гидромашины и гидропривод» с расчетами и чертежами в Компас-3D. Скачать можно со страницы - https://www.2d-3d.ru/2d-galereia/gidroprivod/10126-raschet-gidrosistemy-odnokovshovogo-gidravlicheskogo-jekskavatora.html В ходе выполнения курсового проекта изучены основные принципы расчёта объёмного гидропривода, такие как: разработка принципиальной гидравлической схемы, выбор и расчет основных параметров и исходных данных, выбор номинального давления, выбор рабочих жидкостей, определение основных геометрических параметров исполнительных механизмов, расчет и выбор насосов, расчет трубопроводов, расчет потерь давления в гидросистемах, поверочный расчет гидроприводов, определение мощности и КПД гидроприводов. Так же освоены принципы подбора рабочих жидкостей и гидрооборудования на примере путевой машины УМС. #чертежи #чертеж #чертежэкскаватора #AutoCAD #Чертёж #проект #проекты #dwg #Компас #Автокад #dwg #cdw #Расчёты #Расчет #Экскаватор #гидравлика #гидросистема #экскаватор 2d-3d.ru
Готовая курсовая работа по дисциплине «Гидромашины и гидропривод» с расчетами и чертежами в Компас-3D. Скачать можно со страницы - https://www.2d-3d.ru/2d-galereia/gidroprivod/10126-raschet-gidrosistemy-odnokovshovogo-gidravlicheskogo-jekskavatora.html В ходе выполнения курсового проекта изучены основные принципы расчёта объёмного гидропривода, такие как: разработка принципиальной гидравлической схемы, выбор и расчет основных параметров и исходных данных, выбор номинального давления, выбор рабочих жидкостей, определение основных геометрических параметров исполнительных механизмов, расчет и выбор насосов, расчет трубопроводов, расчет потерь давления в гидросистемах, поверочный расчет гидроприводов, определение мощности и КПД гидроприводов. Так же освоены принципы подбора рабочих жидкостей и гидрооборудования на примере путевой машины УМС. #чертежи #чертеж #чертежэкскаватора #AutoCAD #Чертёж #проект #проекты #dwg #Компас #Автокад #dwg #cdw #Расчёты #Расчет #Экскаватор #гидравлика #гидросистема #экскаватор 2d-3d.ru
