Разработка технологии ремонта широкоуниверсального фрезерного станка 6Р82Ш
Готовый дипломный проект с чертежами и расчётами в редактируемом формате можете скачать на странице - https://www.2d-3d.ru/2d-galereia/stanki/10854-razrabotka-tehnologii-remonta-shirokouniversalnogo-frezernogo-stanka-6r82sh.html В проекте были рассмотрены вопросы организации, проектирования и экономического обоснования проведения ремонтов и технического обслуживания на примере широкоуниверсального фрезерного станка 6Р82Ш. Во втором разделе курсовой работы были рассмотрены основные технические характеристики, принцип действия, функциональные возможности широкоуниверсального фрезерного станка 6Р82Ш. В третьем разделе представлены разделе работы произведён расчёт и обоснование системы планово-предупредительных ремонтов для широкоуниверсального фрезерного станка 6Р82Ш. Структура ремонтного цикла широкоуниверсального фрезерного станка 6Р82Ш такова: К-О-Т-О-Т-О-С-О-Т-О-Т-О-К. Список чертежей: 1. Коробка скоростей - сборочный чертеж; 2. Станок - общий вид; 3. Вал рабочий; 4. Ремонтно-механический цех; 5. Вал. #чертежи #чертеж #ремонт #AutoCAD #Чертёж #проект #проекты #dwg #Компас #Автокад #dwg #cdw #Станок #6Р82Ш #Студенты #курсовая #курсовой #ВКР #Диплом #Дипломнаяработа #Технология #учёба #Станки #3D #Фрезерный 2d-3d.ru
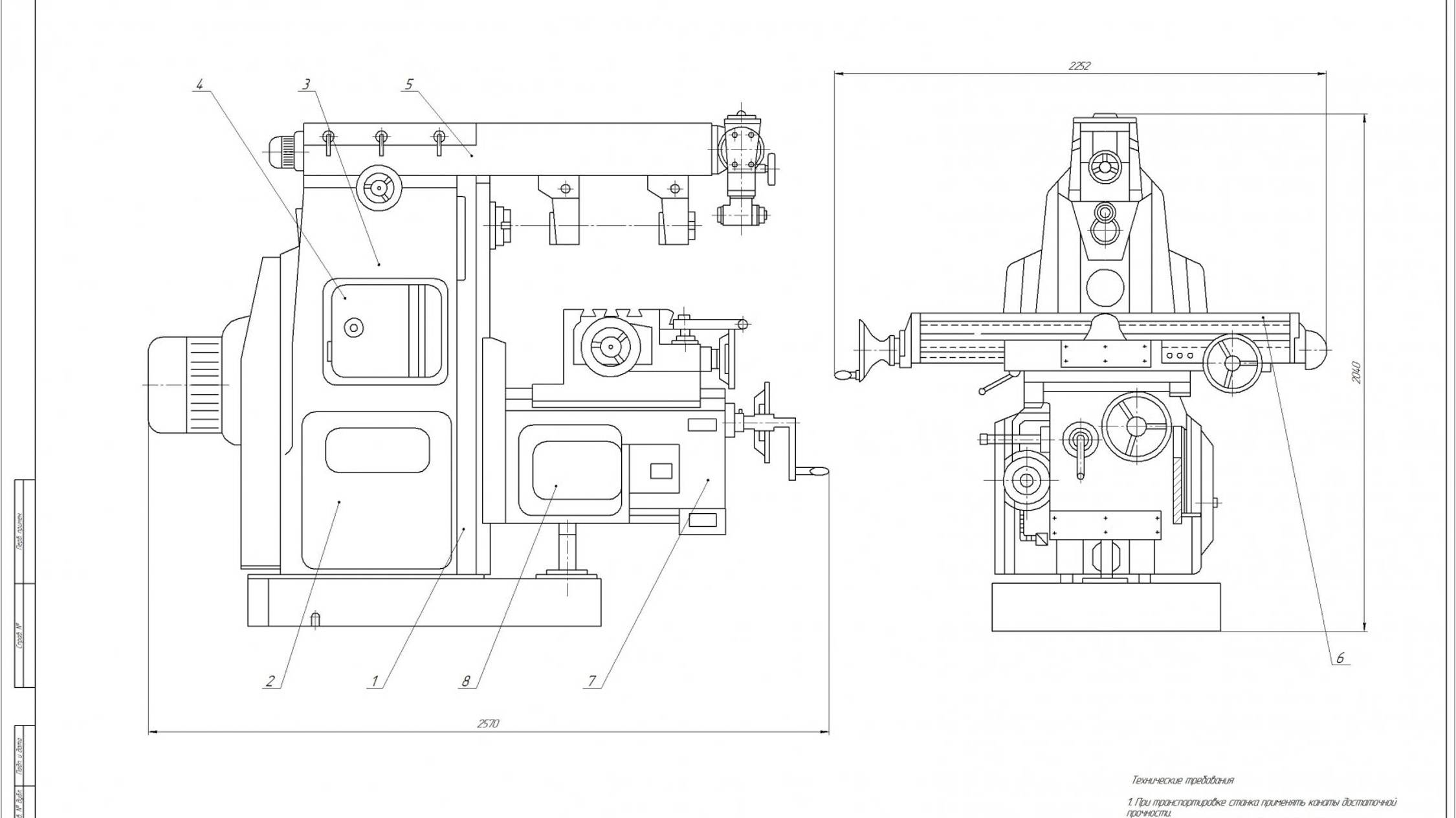
Готовый дипломный проект с чертежами и расчётами в редактируемом формате можете скачать на странице - https://www.2d-3d.ru/2d-galereia/stanki/10854-razrabotka-tehnologii-remonta-shirokouniversalnogo-frezernogo-stanka-6r82sh.html В проекте были рассмотрены вопросы организации, проектирования и экономического обоснования проведения ремонтов и технического обслуживания на примере широкоуниверсального фрезерного станка 6Р82Ш. Во втором разделе курсовой работы были рассмотрены основные технические характеристики, принцип действия, функциональные возможности широкоуниверсального фрезерного станка 6Р82Ш. В третьем разделе представлены разделе работы произведён расчёт и обоснование системы планово-предупредительных ремонтов для широкоуниверсального фрезерного станка 6Р82Ш. Структура ремонтного цикла широкоуниверсального фрезерного станка 6Р82Ш такова: К-О-Т-О-Т-О-С-О-Т-О-Т-О-К. Список чертежей: 1. Коробка скоростей - сборочный чертеж; 2. Станок - общий вид; 3. Вал рабочий; 4. Ремонтно-механический цех; 5. Вал. #чертежи #чертеж #ремонт #AutoCAD #Чертёж #проект #проекты #dwg #Компас #Автокад #dwg #cdw #Станок #6Р82Ш #Студенты #курсовая #курсовой #ВКР #Диплом #Дипломнаяработа #Технология #учёба #Станки #3D #Фрезерный 2d-3d.ru
