Курсовой проект по технологии машиностроения - изготовление корпуса подшипника
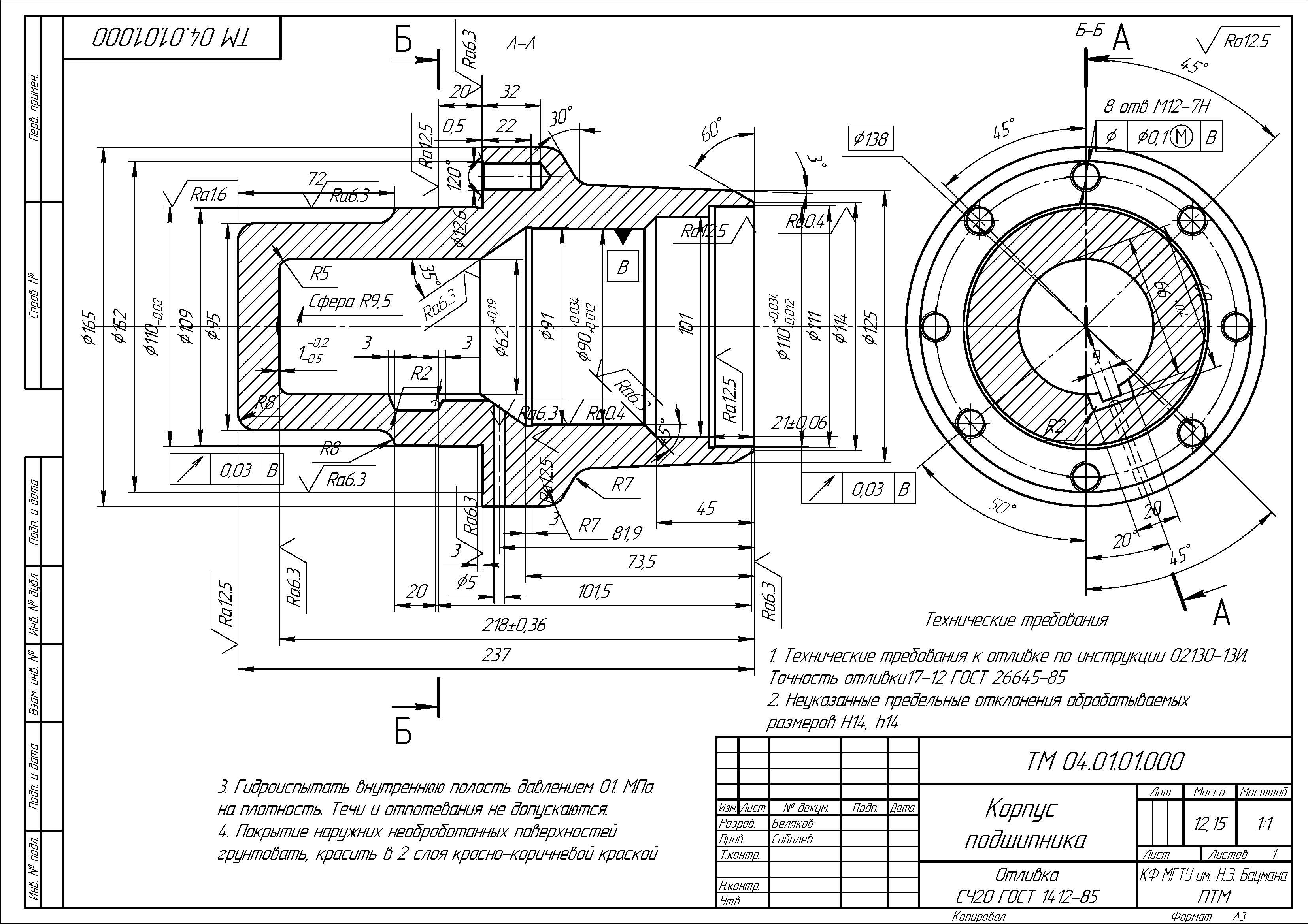
Проект можно скачать со страницы - https://www.2d-3d.ru/2d-galereia/detali-mashin/717-izgotovlenie-korpusa-podshipnika.html Изготовление корпуса подшипника. Готовый курсовой проект по технологии машиностроения. Чертежи расчёты описания. Список чертежей: 1. Заготовка 2. Корпус подшипника чертёж 3. Резец токарный сборный контурный 4. Фреза дисковая прорезная 5. Схема операционной наладки на операцию 010 токарную черновую 6. Схема операционной наладки на операцию 015 токарную черновую 7. Схема операционной наладки на операцию 020 токарную чистовую 8. Схема операционной наладки на операцию 025 фрезерную 9. Схема операционной наладки на операцию 030 вертикально-сверлильная 10. Схема операционной наладки на операцию 035 токарную чистовую 11. Схема операционной наладки на операцию 040 вертикально-сверлильная 12. Схема операционной наладки на операцию 045 вертикально-сверлильная 13. Схема операционной наладки на операцию 055 шлифование 14. Калибр-пробка 110H7 15. Калибр-пробка для диаметра 12H7 Содержание текстовой части: Технологическая часть: 1. Назначение детали в узле (Введение) 2. Определение годового объема выпуска и типа производства 3. Анализ технологичности конструкции детали 4. Выбор и обоснование способа получения заготовки и ее расчет 5. Выбор технологических баз 6. Разработка маршрута обработки заготовки 7. Расчет операционных припусков 8. Расчет режимов резания 9. Расчет мерительного инструмента 10. Техническое нормирование #Чертёж #Dwg #cdw #AutoCAD #Чертежи #Автокад #Проекты #Компас #Расчёты #Курсовой #Дипломный #Проект #Чертеж #Dwg #Dwgформат #drawing #расчет #шаблон #курсач #курсоваячертежи #технология #технологиямашиностроения #cdw #подшипник #корпус подшипника 2d-3d.ru
Проект можно скачать со страницы - https://www.2d-3d.ru/2d-galereia/detali-mashin/717-izgotovlenie-korpusa-podshipnika.html Изготовление корпуса подшипника. Готовый курсовой проект по технологии машиностроения. Чертежи расчёты описания. Список чертежей: 1. Заготовка 2. Корпус подшипника чертёж 3. Резец токарный сборный контурный 4. Фреза дисковая прорезная 5. Схема операционной наладки на операцию 010 токарную черновую 6. Схема операционной наладки на операцию 015 токарную черновую 7. Схема операционной наладки на операцию 020 токарную чистовую 8. Схема операционной наладки на операцию 025 фрезерную 9. Схема операционной наладки на операцию 030 вертикально-сверлильная 10. Схема операционной наладки на операцию 035 токарную чистовую 11. Схема операционной наладки на операцию 040 вертикально-сверлильная 12. Схема операционной наладки на операцию 045 вертикально-сверлильная 13. Схема операционной наладки на операцию 055 шлифование 14. Калибр-пробка 110H7 15. Калибр-пробка для диаметра 12H7 Содержание текстовой части: Технологическая часть: 1. Назначение детали в узле (Введение) 2. Определение годового объема выпуска и типа производства 3. Анализ технологичности конструкции детали 4. Выбор и обоснование способа получения заготовки и ее расчет 5. Выбор технологических баз 6. Разработка маршрута обработки заготовки 7. Расчет операционных припусков 8. Расчет режимов резания 9. Расчет мерительного инструмента 10. Техническое нормирование #Чертёж #Dwg #cdw #AutoCAD #Чертежи #Автокад #Проекты #Компас #Расчёты #Курсовой #Дипломный #Проект #Чертеж #Dwg #Dwgформат #drawing #расчет #шаблон #курсач #курсоваячертежи #технология #технологиямашиностроения #cdw #подшипник #корпус подшипника 2d-3d.ru
